Artykuł ten ma na celu dostarczenie szczegółowych informacji dotyczących problemów z instalacją elektryczną w maszynach JCB 3CX Contractor, ze szczególnym uwzględnieniem okolic filtra powietrza i podłączeń czujników oraz przewodów. Przedstawione tu rozwiązania bazują na doświadczeniach użytkowników i mogą być pomocne dla przyszłych poszukiwaczy podobnych problemów.
Problemy z Instalacją Elektryczną w JCB 3CX Contractor
Wielu właścicieli maszyn JCB 3CX Contractor, zwłaszcza modeli z roku 2003 z silnikiem Perkins, boryka się z problemami dotyczącymi uszkodzonej lub niekompletnej wiązki przewodów. Po obróbce i złożeniu silnika często okazuje się, że klika przewodów jest połamana, urwana lub nieprawidłowo podłączona, co uniemożliwia prawidłowe funkcjonowanie maszyny. Użytkownicy często dążą do tego, aby maszyna była technicznie sprawna, co wymaga dokładnego zdiagnozowania i naprawy instalacji elektrycznej.
Lokalizacja i Problemy z Czujnikami
Jednym z obszarów, który często sprawia trudności, są okolice filtra powietrza. Użytkownicy poszukujący czujnika vacuum w filtrze powietrza w maszynach JCB 3CX Contractor z 2003 roku często odkrywają, że ich maszyna nie posiada takiego elementu. Jest to ważne spostrzeżenie, które eliminuje jedną z potencjalnych przyczyn problemów.
Kolejnym newralgicznym punktem jest czujnik temperatury, ten duży, wkręcony za pompą wody. Brak podłączeń do tego czujnika może prowadzić do nieprawidłowej pracy silnika.
Analiza Przewodów i Ich Podłączeń
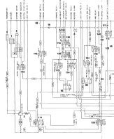
Identyfikacja i prawidłowe podłączenie przewodów jest kluczowe. Na podstawie numerów odczytanych z kabli można próbować ustalić ich przeznaczenie. W przypadku maszyny z 2003 roku (silnik Perkins) użytkownicy zgłaszają trudności z kablami o numerach: 513, 105 i 903.
Przewody 105 i 903
- Przewody 105 i 903 wchodzą na ESOS pompy (elektromagnetyczny zawór odcinający paliwo), co jest kluczowe dla działania maszyny.
- Przewód 105 idzie również na czujnik temperatury (włącznik) w obudowie pompy wody i dalej na waxstat (termostatyczny zawór woskowy). Jest to ten sam przewód, który idzie na ESOS i na włącznik termiczny zimnego startu, rozgałęziony wewnątrz wiązki.
- Cewka gaszenia jest podłączona, a "wspomaganie" rozruchu również zasilane jest ze 105-tki poprzez włącznik termiczny.
Przewód 513

Przewód 513 stanowił dużą zagadkę dla wielu użytkowników. Mimo poszukiwań i analizy tabel z numerami przewodów oraz schematów, jego zastosowanie bywa niejasne. Jedna z hipotez sugeruje, że kabel 513 idzie do "3 terminala" cewki gaszenia, jednak niektóre cewki posiadają tylko "2 terminale". W tabeli może być dopisane "DEST" (przeznaczenie) NH44, co jednak często nie jest możliwe do zlokalizowania na schemacie, jeśli jest rozmazany.
W przypadku braku jasnego zastosowania dla przewodu 513, użytkownicy rozważają jego zaizolowanie w instalacji.
Włącznik Termiczny Zimnego Startu i Waxstat
Działanie włącznika termicznego od waxstat'u jest istotne dla zimnego startu. Użytkownicy zauważają, że w ich maszynach włącznik ten jest rozwarty na zimno, a zwarty na ciepło. W przypadku, gdy wtyczka nie jest podłączona lub waxstat jest uszkodzony, pompa może pracować cały czas na innym kącie wtrysku. Ma to wpływ na pracę maszyny, która może być twardsza.
W przypadku zamawiania nowego włącznika termicznego, należy uważać na zamienniki. Oryginalne części często mają specyficzne parametry (np. rozwarty na zimno, zamyka obwód dopiero przy ok. 80 stopniach Celsjusza), które zamienniki mogą nie spełniać.
JCB 3CX contractor
Procedura Reklamacji i Zwrotu
W przypadku zakupu towaru, który ma wadę, konsument ma prawo złożyć reklamację. Powinien w niej określić swoje żądania, takie jak:
- doprowadzenie towaru do stanu zgodności z umową (przez naprawę lub wymianę)
- zwrot całości bądź części wpłaconych środków (przez obniżenie ceny lub odstąpienie od umowy).
W przypadku reklamacji zaleca się kontakt telefoniczny ze sprzedającym. Zgodnie z ustawą o prawach konsumenta z dnia 30 maja 2014 roku, kupujący ma 14 dni od daty otrzymania towaru na przesłanie oświadczenia o odstąpieniu od umowy. Zwrot przedmiotu przez konsumenta powinien nastąpić niezwłocznie, nie później niż w terminie 14 dni kalendarzowych od daty przesłania oświadczenia, podobnie jak zwrot środków przez Sprzedającego. Sprzedający może jednak wstrzymać się z odesłaniem środków do czasu otrzymania przedmiotu.
tags: #filtr #powietrza #jcb #3cx #contractor